CK13-50TK10/ATK10-2000 Glissières

Accueil  |  Courroies, Poulies, Accessoires  |  Accessoires  |  Glissières  |   
CK13-50TK10/ATK10-2000

Ce profil de glissement, particulièrement adapté aux courroies BRECO®, est en matière PEHD polyéthilène haute densité de couleur verte. La courroie est guidée par le profil centrage trapézoïdale.
Glissières
Les fonctions grisées nécesitent d'être connecté à votre compte
se connecter à mon compte
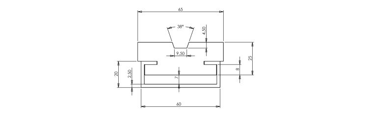
Plan dimensionnel
Epaisseur profilé a
2,5
Epaisseur profilé a
2,5 mm
Dimension E
20 mm
Dimension E
20
Dimension F
60
Dimension F
60 mm
Largeur de courroie
50
Largeur de courroie
50 mm
Dimension b
65
Dimension b
65 mm
Dimension H
25
Dimension H
25 mm
Dimension c
7
Dimension c
7 mm
Dimension d
8
Dimension d
8 mm
Matière
PEHD 500/1000
Profil/pas
ATK10
Remarques
Le coefficient de dilatation de la matière PEHD est important, il faut tenir compte d'un allongement de 0,2 mm/m de profil par °C. A cet effet, le profil pourra librement se dilater dans son armature
Profil guidage
K13