CK13-100TK10/ATK10-2000 Glissières

Accueil  |  Courroies, Poulies, Accessoires  |  Accessoires  |  Glissières  |   
CK13-100TK10/ATK10-2000

Ce profil de glissement, particulièrement adapté aux courroies BRECO®, est en matière PEHD polyéthilène haute densité de couleur verte. La courroie est guidée par le profil centrage trapézoïdale.
Glissières
Les fonctions grisées nécesitent d'être connecté à votre compte
se connecter à mon compte
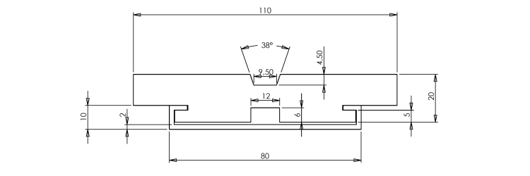
Plan dimensionnel
Epaisseur profilé a
2 mm
Epaisseur profilé a
2
Dimension E
10
Dimension E
10 mm
Dimension F
80
Dimension F
80 mm
Largeur de courroie
100
Largeur de courroie
100 mm
Dimension b
110
Dimension b
110 mm
Dimension H
20
Dimension H
20 mm
Dimension c
1
Dimension c
1 mm
Dimension d
5
Dimension d
5 mm
Matière
PEHD 500/1000
Profil/pas
ATK10
Remarques
Le coefficient de dilatation de la matière PEHD est important, il faut tenir compte d'un allongement de 0,2 mm/m de profil par °C. A cet effet, le profil pourra librement se dilater dans son armature
Dimension n
6
Dimension n
6 mm
Dimension m
12
Dimension m
12 mm
Profil guidage
K13