MOY1B11 Moyeux

Moyeux standard avec appui

Accueil  |  Courroies, Poulies, Accessoires  |  Accessoires  |  Moyeux  |   
MOY1B11

Moyeux standard avec appui

Le moyeu expansible de Binder-Magnetic est spécialement adapté pour des montages rapides facilitant l'indexage de plusieurs courroies dans le domaine du convoyage. Celui-ci peut-être monté avec l'appui noyé, modèle MOY1B et MOY2B, ou dépassant modèle MOY1B.
Moyeux
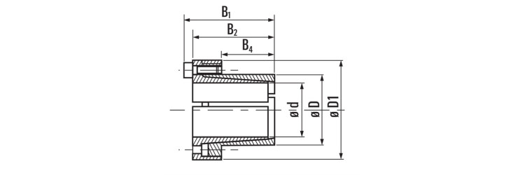
Plan dimensionnel
Montage appui noyé
Montage appui dépassant
Données techniques
Montage: serrer les vis sur la périphérie de façon uniforme en opposition et en respectant le couple de serrage indiqué dans la fiche produit. Démontage: retirer les vis et les revisser dans les trous d'extraction en opposition et de façon uniforme
moy_gamme_produit
Moyeux standard avec appui
Dimensions dxD
11 x 18 mm
Diamètre d'alésage moyeux
11 mm
Dimension D1
34 mm
Dimension B1
31 mm
Dimension B2
27 mm
Dimension B3
14 mm
Diamètre d'alésage D
18 mm
Diamètre d'épaulement noyé Da
36 mm
Profondeur d'épaulement a
13 mm
Couple transmis
53 N⋅m
Vis de serrage N x type
4 - M4x12
Couple de serrage
5,2 N⋅m
Gamme de produit
Moyeux standard avec appui