MOY1B40 Moyeux

Moyeux standard avec appui

Accueil  |  Courroies, Poulies, Accessoires  |  Accessoires  |  Moyeux  |   
MOY1B40

Moyeux standard avec appui

Le moyeu expansible de Binder-Magnetic est spécialement adapté pour des montages rapides facilitant l'indexage de plusieurs courroies dans le domaine du convoyage. Celui-ci peut-être monté avec l'appui noyé, modèle MOY1B et MOY2B, ou dépassant modèle MOY1B.
Moyeux
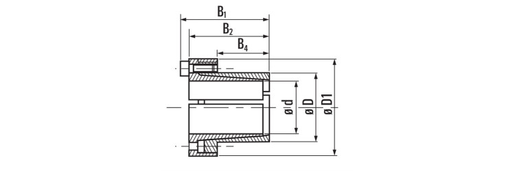
Plan dimensionnel
Montage appui noyé
Montage appui dépassant
Données techniques
Montage: serrer les vis sur la périphérie de façon uniforme en opposition et en respectant le couple de serrage indiqué dans la fiche produit. Démontage: retirer les vis et les revisser dans les trous d'extraction en opposition et de façon uniforme
moy_gamme_produit
Moyeux standard avec appui
Dimensions dxD
40 x 53 mm
Diamètre d'alésage moyeux
40 mm
Dimension D1
75 mm
Dimension B1
58 mm
Dimension B2
52 mm
Dimension B3
32 mm
Diamètre d'alésage D
53 mm
Diamètre d'épaulement noyé Da
77 mm
Profondeur d'épaulement a
20 mm
Couple transmis
959 N⋅m
Vis de serrage N x type
9 - M6x18
Couple de serrage
17 N⋅m
Gamme de produit
Moyeux standard avec appui