MOY1B85 Moyeux

Moyeux standard avec appui

Accueil  |  Courroies, Poulies, Accessoires  |  Accessoires  |  Moyeux  |   
MOY1B85

Moyeux standard avec appui

Le moyeu expansible de Binder-Magnetic est spécialement adapté pour des montages rapides facilitant l'indexage de plusieurs courroies dans le domaine du convoyage. Celui-ci peut-être monté avec l'appui noyé, modèle MOY1B et MOY2B, ou dépassant modèle MOY1B.
Moyeux
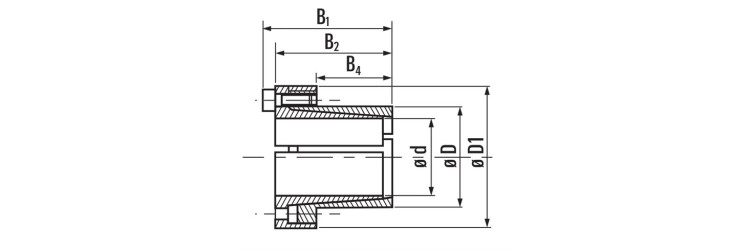
Plan dimensionnel
Montage appui noyé
Montage appui dépassant
Données techniques
Montage: serrer les vis sur la périphérie de façon uniforme en opposition et en respectant le couple de serrage indiqué dans la fiche produit. Démontage: retirer les vis et les revisser dans les trous d'extraction en opposition et de façon uniforme
moy_gamme_produit
Moyeux standard avec appui
Dimensions dxD
85 x 106 mm
Diamètre d'alésage moyeux
85 mm
Dimension D1
137 mm
Dimension B1
106 mm
Dimension B2
96 mm
Dimension B3
65 mm
Diamètre d'alésage D
106 mm
Diamètre d'épaulement noyé Da
139 mm
Profondeur d'épaulement a
31 mm
Couple transmis
8069 N⋅m
Vis de serrage N x type
12 - M10x25
Couple de serrage
84 N⋅m
Gamme de produit
Moyeux standard avec appui