Picolo 0 - C - 24VDC - Inox Vérins de pergola et façades

Vérin Picolo

Accueil  |  Vérins Électriques  |  Vérins de pergola et façades  |   
Picolo 0 - C - 24VDC - Inox

Vérin Picolo

La protection très élevée de ce petit vérin permet des applications dans des milieux difficiles (protection IP67 ).Le diamètre de celui-ci est très faible et se logera dans des espaces réduits.
Vérins de pergola et façades
Les fonctions grisées nécesitent d'être connecté à votre compte
se connecter à mon compte
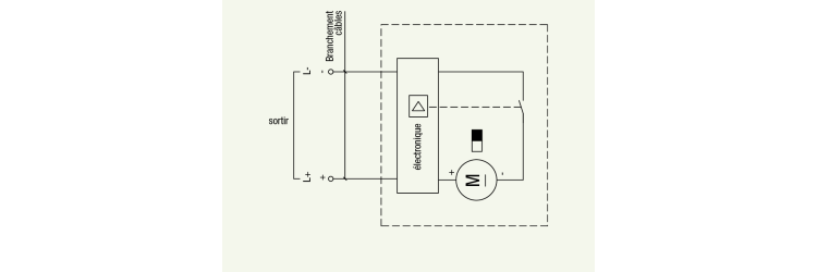
Visuel montage
Plan dimensionnel
Gamme de produit
Vérin Picolo
Matière de la tige
Acier inoxydable 1.4303
Fixation côté tige
Oeilleton fixe
Fixation côté corps
Oeilleton fixe
Matière du corps
Acier inoxydable 1.4571
Avec frein obligatoire
Non
Type de vis
Vis en acier - Ecrou synthétique
Longueur de course
De 75 à 400 mmDe 400 à 800 avec charges max. 900N
Plage de température
-20 à +80
Tige
Cylindrique avec sytème anti-rotation
Interrupteur de fin de course
réalisés par mesure interne du courant
Traitement couleur
Argent
Dimension f (pour la course mini standard)
349
Gamme de produit
Vérin Picolo
Vitesse de course
4,5
Force (N)
900
Facteur de service
FS2
Tension d'alimentation
24
Type de protection IP
IP67
Puissance moteur
1
Type de tension
Courant continu
Options
Tension d'alimentation : 12VDCPeinture selon RALCodeur
Accessoires
Chape ou rotule ou tourillon ou tige filetéeBoitier de commandeModule électronique de synchronisationPaliers extérieurs supports