Junior 1 - B - FS40% - 24 VDC - C 100 Vérins industriels Junior

Vérin industriel Junior

Accueil  |  Vérins Électriques  |  Vérins industriels standards  |  Vérins industriels Junior  |   
Junior 1 - B - FS40% - 24 VDC - C 100

Vérin industriel Junior

Les JUNIOR sont les plus petits modèles de notre gamme.Ils sont compacts et la motorisation placée parallèlement permet un entraxe très réduit.
Quelques applications:
- réglage proportionnel
- dispositif de basculement
- Commande de volet ou trappe
- Commande de disjoncteur
Vérins industriels Junior
Les fonctions grisées nécesitent d'être connecté à votre compte
se connecter à mon compte
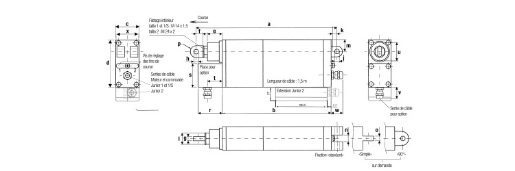
Plan dimensionnel
Gamme de produit
Vérin industriel Junior
Racleur double
Oui
Avec frein électromagnétique obligatoire
Non
Traitement couleur
Noire et Argent
Type de vis
Vis en acier - Ecrou synthétique
Longueur de course
100 mm
Plage de température
-10 à +50 °C
Matière tige
Alliage Aluminium
Tige
Hexagonal avec système anti-rotation
Interrupteur de fin de course
électromécanique réglable
Fixation tige
Oeilleton fixe
Fixation corps
Oeilleton double fixe
Matière corps
Aluminium et Plastique
Gamme de produit
Vérin industriel Junior
Vitesse de course
30 mm/s
Force (N)
70
Facteur de service
FS3 (40%)
Type de tension
Courant continu
Tension d'alimentation
24 V
Type de protection IP
IP54
Tension frein
24 V
Intensité moteur
1,2 A
Options
Capteur de position : Potentiomètre ou codeur - Tension d'alimentation : 12VDC ou 48VDC
Accessoires
Oeilleton réglable / Orientable / A ressort - Embout à rotule / Chape
Dimension b
172 mm
Dimension remarque
Télécharger la documentation pour avoir les dimensions complémentaires.
Dimension c
40 mm
Dimension d
80 mm