

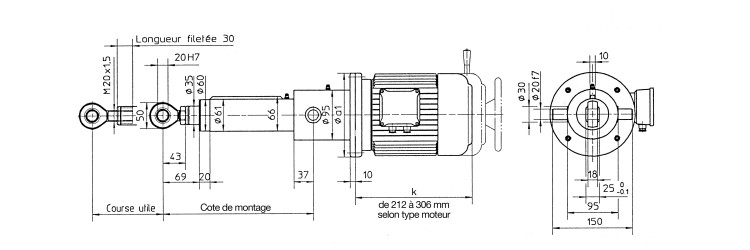
MSK-20 - C400 - V30 - moteur perpendiculaire Vérins industriels sur cahier des charges
Vérin industriel - Montage avec réducteur à vis et chape arrière
Les vérins MSK20 sont préconisés pour des courses maximium de 1 mètre environ.Ce modèle offre des performances élevées avec un excellent rapport encombrement/puissance.
Quelques applications :
- Process aéronautiques et automobiles
- Orientation d'antennes
- Dispositifs d'aiguillage