MST-20 - C600 - V30 - moteur perpendiculaire Vérins industriels sur cahier des charges

Industrial actuator - Assembly with reducer with screw and fixation by back screed

Accueil  |  Vérins Électriques  |  Vérins industriels sur cahier des charges  |   
MST-20 - C600 - V30 - moteur perpendiculaire

Industrial actuator - Assembly with reducer with screw and fixation by back screed

Les vérins MST20 sont préconisés pour des courses maximium de 1 mètre environ.Ce modèle offre des performances élevées avec un excellent rapport encombrement/puissance.
Quelques applications :
- Process aéronautiques et automobiles
- Orientation d'antennes
- Dispositifs d'aiguillage
Vérins industriels sur cahier des charges
Les fonctions grisées nécesitent d'être connecté à votre compte
se connecter à mon compte
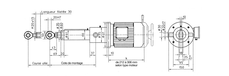
Visuel montage
Courbes force vitesse et flambage
Gamme de produit
Vérin industriel - Montage avec réducteur à vis et fixation par chape arrière
Racleur
racleur double à la sortie de la tige
Traitement de couleur
Peinture acrylique RAL 9007
Frein
oui
Type de vis
Vis trapézoïdale TR26x5
Longueur de course
600
Plage de température
-25 à +80
Matière tige
Inox
Tige
avec système anti-rotation
Interrupteur de fin de course
réglables, avec information de retour
Fixation tige
Embout à rotule zingué ou chape zinguée
Fixation corps
Chape traitée anticorrosion
Matière corps
Acier
Gamme de produit
Industrial actuator - Assembly with reducer with screw and fixation by back screed
Force de déplacement (Force max)
8000
Vitesse de course
30
Contact de fin de course
SME-8
Nombre de pôle
2
Facteur de service
S1
Type de tension
Triphasé
Tension d'alimentation
400
Type de protection IP
IP 54
Tension frein
400
Puissance moteur
0.37
Options
Limiteur électrique de surcharge mécanique.Capteur de position : Codeur ou potentiomètre linéaireTachymètre.Filetage de différents pasExécution pour utilisation en extérieur et en
Accessoires
Paliers supportsChape de fixationEcrou de sûretéSoufflets et tubes de protection