Vario 2 - D - FS15% - 400V3-AC - C 500 Vérins industriels Vario

Vérin industriel Vario

Accueil  |  Vérins Électriques  |  Vérins industriels standards  |  Vérins industriels Vario  |   
Vario 2 - D - FS15% - 400V3-AC - C 500

Vérin industriel Vario

Les VARIO sont les plus performants en force et en course des vérins de la gamme. Ils supportent des charges statiques élevées. Selon la vitesse désirée, ils peuvent être équipés de vis à bille ou trapézoidale.
Quelques applications :
- Machine spéciale
- Equipement de plate-forme mobile
- Table élévatrice
Vérins industriels Vario
Les fonctions grisées nécesitent d'être connecté à votre compte
se connecter à mon compte
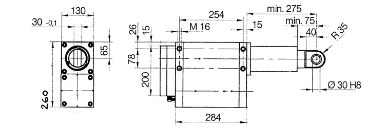
Plan dimensionnel
Gamme de produit
Vérin industriel Vario
Racleur double
Oui
Avec frein électromagnétique obligatoire
Oui
Traitement couleur
Noire
Type de vis
Vis en acier - Ecrou
Longueur de course
500 mm
Plage de température
-10 à +50 °C
Matière tige
Acier chromé
Tige
Cylindrique avec sytème anti-rotation
Interrupteur de fin de course
électromécanique
Fixation tige
Oeilleton fixe
Fixation corps
Vis sur carter
Matière corps
Acier peint
Gamme de produit
Vérin industriel Vario
Vitesse de course
30 mm/s
Force (N)
16000
Facteur de service
FS15%
Type de tension
Courant alternatif
Tension d'alimentation
400 V
Type de protection IP
IP54
Tension frein
400 V
Intensité moteur
6,0 A
Options
Capteur de position : Codeur ou Potentiomètre
Accessoires
Autres fixations : chape, articulation à rotule, embout fileté, etc..
Dimension remarque
Télécharger la documentation pour avoir les dimensions complémentaires.
Dimension d
260 mm