MT-10-d - 8,6mm/s - 200N - 12VDC - C 50 Vérins MT10 - MT16

Vérin industriel MT-10-d

Accueil  |  Vérins Électriques  |  Vérins industriels standards  |  Vérins MT10 - MT16  |   
MT-10-d - 8,6mm/s - 200N - 12VDC - C 50

Vérin industriel MT-10-d

Produit d'entré de gamme fiable et robuste par la simplicité de la conception. Mini-vérin MT10-d avec vis tournante et tige de translation protégée. Force maximum : 120 daN – Course maximum : 300 mm
Vérins MT10 - MT16
Les fonctions grisées nécesitent d'être connecté à votre compte
se connecter à mon compte
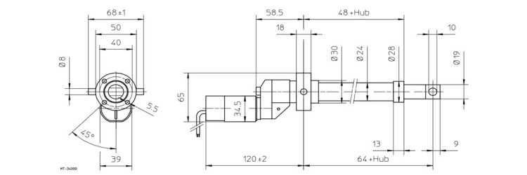
Plan dimensionnel
Visuel montage
Gamme de produit
Vérin industriel MT-10-d
Racleur double
Non
Avec frein électromagnétique obligatoire
Non
Traitement couleur
Noire
Type de vis
Vis en acier - Ecrou polymer
Longueur de course
50 mm
Plage de température
-20 à +80 °C
Matière tige
Acier C15
Tige
Cylindrique sans sytème anti-rotation
Interrupteur de fin de course
Non
Fixation tige
Oeilleton fixe
Fixation corps
Tourillon
Matière corps
Aluminium
Gamme de produit
Vérin industriel MT-10-d
Vitesse de course
8,6 mm/s à vide
Force (N)
200
Facteur de service
FS20%
Type de tension
Courant continu
Tension d'alimentation
12 V
Type de protection IP
IP23
Tension frein
12 V
Intensité moteur
Voir courbe
Options
Protection IP54, transformateur courant alternatif, dispositif de coupure électrique en surcharge et fin de course.
Accessoires
Console pivotante, palier.
Dimension remarque
Télécharger la documentation pour avoir les dimensions complémentaires.