OMW 516 002 Vibrateurs

Vibrateur propulseur

Accueil  |  Electro-aimants, Ventouses, Freins  |  Vibrateurs  |   
OMW 516 002

Vibrateur propulseur

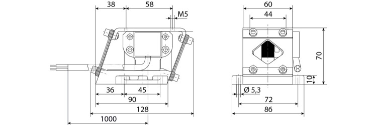
OMW 516 002 : le corps magnétique de ce vibrateur propulseur alimenté avec un courant alternatif 230V AC produit un mouvement alternatif de 50 Hz fixe entre la semelle supérieure et la semellle inférieure fixe. Le réglage de l'amplitude du mouvement se fait grâce à un variateur de tension VF6. Semelle inférieure: elle sera fixée sur une surface rigide fixe et de masse 40 à 50 fois la 'masse nominale' à vibrer. Semelle supérieure: elle effectue un mouvement de propulsion alternatif avec la masse nominale à vibrer (amplitude maxi 1,3 à 1,6 selon la taille). Les pièces situées dans la goulotte vibrante ont ainsi un déplacement linéaire. Les lames ressorts plates latérales permettent ce mouvement relatif entre la semelle supérieure et la semelle inférieure. Le couloir vibr
Vibrateurs
Les fonctions grisées nécesitent d'être connecté à votre compte
se connecter à mon compte
Plan dimensionnel
Gamme de produit
Vibrateur propulseur
Gamme de produit
Vibrateur propulseur
Fréquence
50
Fréquence
50 Hz
Indice de protection de marche
IP 54
Puissance absorbée
60 VA
Puissance absorbée
60
Raccordement
Câble bi-conducteur
Classe d'isolation
F
Tension standard
230V AC/50 Hz monophasé
Charge nominale
1,2
Charge nominale
1,2 kg
Amplitude d'oscillation moyenne
1,5
Amplitude d'oscillation moyenne
1,5 mm
Amplitude d'oscillation max.
1,6
Amplitude d'oscillation max.
1,6 mm
Masse total
1,1
Masse total
1,1 kg