OLV 504 001 Vibrateurs

Vibrateur linéaire sans masse

Accueil  |  Electro-aimants, Ventouses, Freins  |  Vibrateurs  |   
OLV 504 001

Vibrateur linéaire sans masse

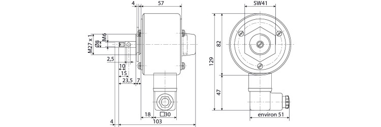
OLV 504 001 : le corps magnétique de ce vibrateur linéaire sans masse alimenté avec un courant alternatif 230V AC produit un mouvement alternatif linéaire de 50 Hz de l'axe (amplitude maxi 7mm, selon le montage). Le réglage de l'amplitude est réalisé grâce à un variateur de tension VF6.
Vibrateurs
Les fonctions grisées nécesitent d'être connecté à votre compte
se connecter à mon compte
Plan dimensionnel
Gamme de produit
Vibrateur linéaire sans masse
Gamme de produit
Vibrateur linéaire sans masse
Fréquence
50
Fréquence
50 Hz
Indice de protection de marche
IP 40
Puissance absorbée
54
Puissance absorbée
54 VA
Raccordement
Prise DIN 43650 (IP 65)
Classe d'isolation
B
Tension standard
230V AC/50 Hz monophasé
Amplitude d'oscillation moyenne
5,5
Amplitude d'oscillation moyenne
5,5 mm
Amplitude d'oscillation max.
7
Amplitude d'oscillation max.
7 mm
Masse total
1,5
Masse total
1,5 kg