Vario 2 - H - FS15% - 400V3-AC - S 600 Vario industrial actuators

Vario Industrial actuator

Accueil  |  Electric Actuators  |  Standard industrial actuators  |  Vario industrial actuators  |   
Vario 2 - H - FS15% - 400V3-AC - S 600

Vario Industrial actuator

The VARIO are the most powerful in force and stroke actuators range. They support high static loads. According the desired speed, they can be equipped with ball screws or trapezoidal.
Some applications:
> - Special machine
- Mobile platform equipment
- Lift table
Vario industrial actuators
Grayed out functions require you to be logged in to your account
login to my account
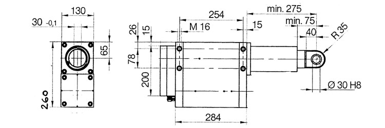
Dimensional plan
Product range
Vario Industrial actuator
Double scraper
Yes
With mandatory electromagnetic brake
Yes
Color treatment
Black
Screw type
Steel screws – Nut
Length of stroke
600 mm
Temperature range
-10 to +50 °C
Stem material
Chrome steel
Stem
Cylindrical with anti-rotation system
Limit switch
electromechanical
Stem fastening
Fixed eyecup
Body fixing
Screw on housing
Body material
Painted steel
Product range
Vario Industrial actuator
Stroke speed
2 mm/s
Load (N)
100000
Service factor
FS15%
Voltage type
Alternating current
Supply voltage
400 V
IP protection type
IP54
Brake voltage
400 V
Motor current
3,0 A
Options
Position sensor : Encoder or Potentiometer
Accessories
Other fasteners : clevis, ball joint, threaded end, etc.
Dimension note
Download the documentation to have the additional dimensions.
Dimension d
260 mm