86 611 06P Brakes and clutches

No-current brake ‘High Torque’

No-current brake ‘High Torque’

86 611 06P: this no-current brake 'High Torque' has the following advantages: - very high static torque (thanks to the rare earth permanent magnets) for a small footprint (very flat brake) - zero angular play at stop - zero residual torque (in all mounting positions) . Often made according to plans and specific indications.
Brakes and clutches
Grayed out functions require you to be logged in to your account
login to my account
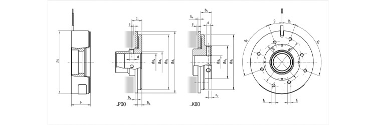
Dimensional plan
Product range
No-current brake ‘High Torque’
Fastening
By tapped holes
Minimum static torque
9
Minimum static torque
9 N⋅m
Air gap S
0,2
Air gap S
0,2 mm
Dimension f1
M4
Dimension f1
M4 mm
Dimension g1
45
Dimension g1
45 mm
Dimension g2
4*90°
Dimension e2
48
Dimension e2
48 mm
Dimension f2
M4 mm
Dimension f2
M4
Dimension g3
20
Dimension g3
20 mm
Dimension g4
4*90°
Dimension b
23,6
Dimension b
23,6 mm
Other characteristics
-Static torque greater than H version thanks to increased polar rays -Optimization of flux and polar surfaces thanks to a patented design -Couple constant in the permissible temperature range -Better
Dimension a
65
Dimension a
65 mm
Dimension e1
42
Dimension e1
42 mm
Product range
No-current brake ‘High Torque’
Nominal voltage
24
Nominal voltage
24 VDC
Power rating
15
IP protection
IP 00
Connection
Free wires (200 mm)
Insulation class
F