MSK-20 - C200 - V30 - perpendicular engine Customised industrial actuators

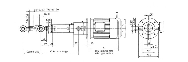
Industrial actuator – Assembly with reducer with screw and back screed

Accueil  |  Electric Actuators  |  Customised industrial actuators  |   
MSK-20 - C200 - V30 - perpendicular engine

Industrial actuator – Assembly with reducer with screw and back screed

MSK20 actuator is recommended for races maximium of approximately 1 meter. This model offers performances raised with an excellent report congestion/puissance. Some applications: - Aeronautical processes and automobiles - Orientation of antennes - Devices of points
Customised industrial actuators
Grayed out functions require you to be logged in to your account
login to my account
Visual montage
Force-velocity and buckling curves
Product range
Industrial actuator - Mounting with screw reducer and rear clevis mounting
Wiper
Scraper doubles at the exit of the stalk
Color treatment
Acrylic paint RAL 9007
Brake
Yes
Screw type
Ballscrew KG25x5/x10
Length of stroke
200
Temperature range
-25 to +80
Stem material
Steel
Stem
With anti-rotation system
Limit switch
With information of return
Stem mounting
Tip with kneecap zinc-plated or zinc-plated screed
Body attachment
Anti-corrosion treated screed
Body material
Steel
Product range
Industrial actuator – Assembly with reducer with screw and back screed
Displacement force (max. force)
6000
Stroke speed
30
Limit switch
SME-8
Number of poles
4
Operating factor
S1
Type of voltage
Three-phase
Supply voltage
400
IP protection type
IP 54
Brake voltage
400
Motor power
0.37
Options
Electric Limiteur of mechanical overload. Sensor of position: coder or linear potentiometer Tachometer Threading of various steps Execution for outdoor use and in corrosive environm
Accessories
Landings supports Screed of fixationNut of safety Bellows and tubes of protection