MST-20 - C600 - V15 - perpendicular engine Customised industrial actuators

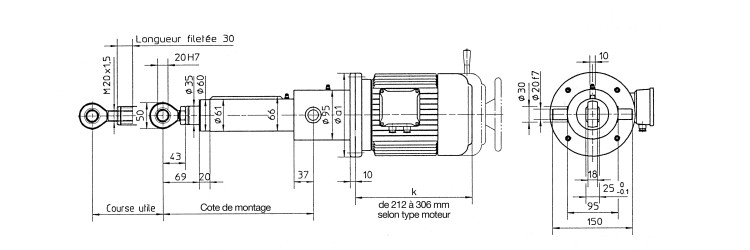
Industrial actuator - Assembly with reducer with screw and fixation by back screed

Accueil  |  Electric Actuators  |  Customised industrial actuators  |   
MST-20 - C600 - V15 - perpendicular engine

Industrial actuator - Assembly with reducer with screw and fixation by back screed

MSK20 actuator is recommended for races maximium of approximately 1 meter. This model offers performances raised with an excellent report congestion/puissance. Some applications: - Aeronautical processes and automobiles - Orientation of antennes - Devices of points
Customised industrial actuators
Grayed out functions require you to be logged in to your account
login to my account
Visual montage
Force-velocity and buckling curves
Product range
Industrial actuator - Mounting with screw reducer and rear clevis mounting
Wiper
Scraper doubles at the exit of the stalk
Color treatment
Acrylic paint RAL 9007
Brake
Yes
Screw type
Trapezoid screw TR26x5
Length of stroke
600
Temperature range
-25 to +80
Stem material
Steel
Stem
With anti-rotation system
Limit switch
With information of return
Stem mounting
Tip with kneecap zinc-plated or zinc-plated screed
Body attachment
Anti-corrosion treated screed
Body material
Steel
Product range
Industrial actuator - Assembly with reducer with screw and fixation by back screed
Displacement force (max. force)
8000
Stroke speed
15
Limit switch
SME-8
Number of poles
2
Operating factor
S1
Type of voltage
Three-phase
Supply voltage
400
IP protection type
IP 54
Brake voltage
400
Motor power
0.25
Options
Electric Limiteur of mechanical overload. Sensor of position: coder or linear potentiometer Tachometer Threading of various steps Execution for outdoor use and in corrosive environment.
Accessories
Landings supports Screed of fixationNut of safety Bellows and tubes of protection