MOY1B14 Hubs

Standard hubs with support

Accueil  |  Belts, Pulleys, Accessories  |  Accessories  |  Hubs  |   
MOY1B14

Standard hubs with support

The Binder-Magnetic Expanding Hub is especially suitable for quick mounting, making it easy to index multiple belts in the conveying area. This one can be mounted with the recessed support, model MOY1B & MOY2B or protruding support model MOY1B.
Hubs
Grayed out functions require you to be logged in to your account
login to my account
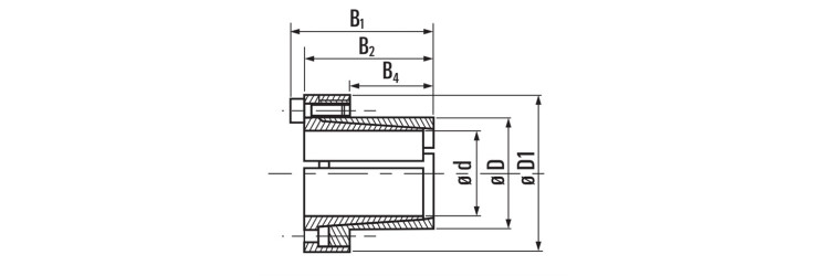
Dimensional plan
Recessed mounting
Mounting support protruding
Technical data
Installation: tighten the CHC screws on the periphery uniformly in opposition and respecting the tightening torque indicated in the data sheet. Disassembly: Remove the screws and retighten them in the extraction
holes in opposition and uniformly until th
moy_gamme_produit
Standard hubs with support
Dimensions dxD
14 x 23 mm
Bore diameter of hubs
14 mm
Dimension D1
39 mm
Dimension B1
31 mm
Dimension B2
27 mm
Dimension B3
14 mm
Bore diameter D
23 mm
Embedded shoulder diameter Da
41 mm
Shoulder depth a
13 mm
Transmitted torque
68 N⋅m
Clamping screw N x type
4 - M4x12
Tightening torque
5,2 N⋅m
Product range
Standard hubs with support