Junior 1/S - G - FS40% - 24VDC - S 200 Junior industrial actuators

Junior Industrial actuator

Accueil  |  Electric Actuators  |  Standard industrial actuators  |  Junior industrial actuators  |   
Junior 1/S - G - FS40% - 24VDC - S 200

Junior Industrial actuator

The JUNIOR are the smallest models in our range.They are compact and the parallel actuator allows a very small center distance.
Some applications:
- proportional adjustment
- tilting device
> - Shutter or shutter control
- Circuit breaker control
Junior industrial actuators
Grayed out functions require you to be logged in to your account
login to my account
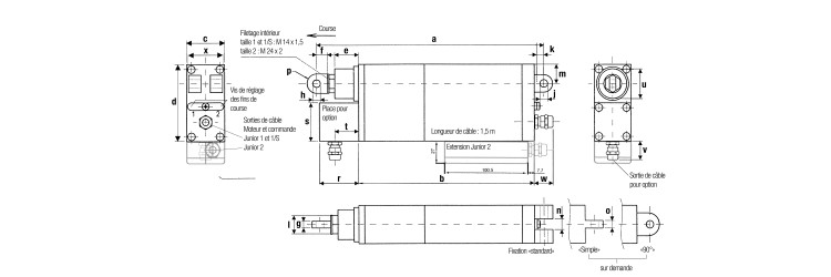
Dimensional plan
Product range
Junior Industrial actuator
Double scraper
Yes
With mandatory electromagnetic brake
Only with a mechanical irreversibility system
Color treatment
Black and silver
Screw type
Steel screws - Synthetic nut
Length of stroke
200 mm
Temperature range
-10 to +50 °C
Stem material
Aluminum alloy
Stem
Hexagonal with anti-rotation system
Limit switch
electromechanical adjustable
Stem fastening
Fixed eyecup
Body fixing
Fixed double eyecup
Body material
Aluminum and plastic
Product range
Junior Industrial actuator
Stroke speed
3 mm/s
Load (N)
3200
Service factor
FS3 (40%)
Voltage type
Direct current
Supply voltage
24 V
IP protection type
IP54
Brake voltage
24 V
Motor current
2,0 A
Options
Position sensor : Potentiometer or encoder - Supply voltage : 12VDC or 48VDC
Accessories
Adjustable eyepiece / Swivel - Spring Rod end Clevis
Dimension b
175 mm
Dimension note
Download the documentation to have the additional dimensions.
Dimension c
47 mm
Dimension d
94 mm