MT-10-s - 18,5mm/s - 400N - 24VDC - S 200 MT10 - MT16 actuators

MT-10-s Industrial actuator

Accueil  |  Electric Actuators  |  Standard industrial actuators  |  MT10 - MT16 actuators  |   
MT-10-s - 18,5mm/s - 400N - 24VDC - S 200

MT-10-s Industrial actuator

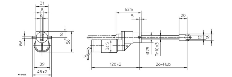
Entry-level product, economical and simple to integrate. The MT10-s mini-cylinder takes up little space thanks to the translation system using a non-rotating open screw passing through the reducer. Maximum force: 120 daN – Maximum stroke: 300 mm
MT10 - MT16 actuators
Grayed out functions require you to be logged in to your account
login to my account
Dimensional plan
Assembly visual
Intensity - speed curve depending on the load
Product range
MT-10-s Industrial actuator
Double scraper
No
With mandatory electromagnetic brake
No
Color treatment
Silver
Screw type
Steel screws - polymer nut
Length of stroke
200 mm
Temperature range
-20 to +80 °C
Stem material
Steel C15
Stem
Cylindrical without anti-rotation system
Limit switch
No
Stem fastening
Fixed eyecup
Body fixing
Trunnion
Body material
Aluminium
Product range
MT-10-s Industrial actuator
Stroke speed
18,5 mm/s at no load
Load (N)
400
Service factor
FS20%
Voltage type
Direct current
Supply voltage
24 V
IP protection type
IP23
Brake voltage
24 V
Motor current
See graph
Options
Transfomer for 230VAC, electronic switch-off in case of overload and in the limit positions.
Accessories
Swivel console, Foot mounted bearings.
Dimension note
Download the documentation to have the additional dimensions.