search
clear
Company
BRECO Group
News
Contact
Anglais
Français
Anglais
My Account
Belts, Pulleys, Accessories
Courroies
Linear belts
BRECO®Move belt
BRECO®Protect alimentary belt
BRECO® Performance belt
BRECO® Standard belt
Self-guided BRECO® belt
BRECO® Basic belt
CONTI® Synchrodrive flexibility belt
CONTI® Synchrodrive Performance and flexibility belt
Courroie CONTI® Synchrodrive Performance
CONTI® Synchrodrive High Resistance belt
BRECO® Plate belt
CONTI® Polyflat belt
Conveying belts
BRECO® Belt Joint Junction ATN System
BRECO® ATN mechanical joint belt
BRECO® Protect welding junction belt
Self-guided BRECO® welding junction belt
BRECO® Standard welding junction belt
PinLock junction BRECO® standard belt
Mechanical junction BRECO® standard belt
Welded BRECO® Basic belt
BRECO® PinLock Basic belt
BRECO® Basic belt with coating
BRECO® PinLock Junction Basic Belt with Coating
BRECO® Belt Joint Junction not Inch
BRECO® Performance Belt Welding Junction
CONTI® Synchrodrive Belt Conveying Junction Flexibility
BRECO® Plate Belt Junction Plate
Power belts
BRECOFLEXmove ® belt
Synchroflex® GEN III belt
CONTI®synchrochain carbon belt
CONTI® synchrochain aramid belt
BRECOFLEX® standard belt
BRECOFLEX® self-guided belt
Synchroflex standard belt
BRECOFLEX® high profile belt
Synchroflex® high profile belt
Synchroflex® micromechanical belt
CONTI® Synchroforce belt
CONTI® Synchrotwin belt
Pulleys
Accessories
ATN screwdriver
Plaques de tensions
Clamp plates
Profiles
Coatings
Machinings
SM5 Tension meter
Rollers
Eccentric roller
Fixed axis roller
Toothed eccentric roller
Hubs
Standard hubs with support
hubs without support
Slider beds
Slider beds model CB
Slider beds model CK
Configurators
Pulleys configurator
Tool for power applications
Tool for linear applications
Conveyors
Central motor conveyor
Conveyors with linear integrated motor with optical window
Conveyors with perpendicular motor and optical window
Conveyors with integrated linear motor
Conveyors with perpendicular motor
Conveyor with perpendicular motor for food applications
Solenoids, Holding Magnets, Brakes
Solenoids
Solenoids for simple operation
Solenoids for double maneuvering
Monostable solenoids
Bistable solenoids
Holding magnets
Electromagnetic suckers
Electromagnetic bars
Permanent magnet section cup
Permanents magnets bars
Vibrators
Brakes and clutches
Brakes with no current
Brakes with no current “High Torque”
Brakes with current emission
Clutches by energizing
Magnets
Electric Actuators
Standard industrial actuators
MT10 - MT16 actuators
ADE MS10 T actuators
Junior industrial actuators
Picolo industrial actuators
Compakt industrial actuators
Econom industrial actuators
Herkules industrial actuators
Vario industrial actuators
Waterway actuators
Electric actuators for dams, weirs and valves
Electric actuators for sluices and guard gates
Electromechanical actuators for bridges, fishways and flood gates
Customised industrial actuators
Assembly with in-line motor and trunnion mounting
Assembly with screw reducer and rear clevis mounting
Assembly with screw reducer and trunnion mounting
Assembly with parallel motor and trunnion mounting
Pergola and facade actuators
Pergola actuators
Facade actuators
Markets & Functions
Commitments & Documentations
Menu
My Account
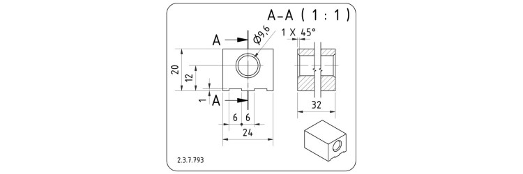
P237793
Home
Belts, Pulleys, Accessories
Accessories
Profiles
P237793
P237793 Profiles
Accueil
|
Belts, Pulleys, Accessories
|
Accessories
|
Profiles
|
P237793
P237793
P237792
P237794
Profiles
Download the 3D file
Add to Wishlist
Download PDF
Print
Grayed out functions require you to be logged in to your account
login to my account
Share
Tweet
Pinterest
Technical characteristics
Mass and dimensions
Geometric shape
Option
Adjustable profil to the width of the belt
NO
Width
32 mm
Height
20 mm
Thickness
24 mm
Form 1
Rectangular shape
Form 2
With hole
On stock, ex factory France
no
close
Filter By
close
close
Sign in
Create an Account
Email
Password
Show
Forgot your password?
Compare
0
Wishlists
0
Language:
Anglais
Français
Anglais
close
Belts, Pulleys, Accessories
Courroies
Linear belts
BRECO®Move belt
BRECO®Protect alimentary belt
BRECO® Performance belt
BRECO® Standard belt
Self-guided BRECO® belt
BRECO® Basic belt
CONTI® Synchrodrive flexibility belt
CONTI® Synchrodrive Performance and flexibility belt
Courroie CONTI® Synchrodrive Performance
CONTI® Synchrodrive High Resistance belt
BRECO® Plate belt
CONTI® Polyflat belt
Conveying belts
BRECO® Belt Joint Junction ATN System
BRECO® ATN mechanical joint belt
BRECO® Protect welding junction belt
Self-guided BRECO® welding junction belt
BRECO® Standard welding junction belt
PinLock junction BRECO® standard belt
Mechanical junction BRECO® standard belt
Welded BRECO® Basic belt
BRECO® PinLock Basic belt
BRECO® Basic belt with coating
BRECO® PinLock Junction Basic Belt with Coating
BRECO® Belt Joint Junction not Inch
BRECO® Performance Belt Welding Junction
CONTI® Synchrodrive Belt Conveying Junction Flexibility
BRECO® Plate Belt Junction Plate
Power belts
BRECOFLEXmove ® belt
Synchroflex® GEN III belt
CONTI®synchrochain carbon belt
CONTI® synchrochain aramid belt
BRECOFLEX® standard belt
BRECOFLEX® self-guided belt
Synchroflex standard belt
BRECOFLEX® high profile belt
Synchroflex® high profile belt
Synchroflex® micromechanical belt
CONTI® Synchroforce belt
CONTI® Synchrotwin belt
Pulleys
Accessories
ATN screwdriver
Plaques de tensions
Clamp plates
Profiles
Coatings
Machinings
SM5 Tension meter
Rollers
Eccentric roller
Fixed axis roller
Toothed eccentric roller
Hubs
Standard hubs with support
hubs without support
Slider beds
Slider beds model CB
Slider beds model CK
Configurators
Pulleys configurator
Tool for power applications
Tool for linear applications
Conveyors
Central motor conveyor
Conveyors with linear integrated motor with optical window
Conveyors with perpendicular motor and optical window
Conveyors with integrated linear motor
Conveyors with perpendicular motor
Conveyor with perpendicular motor for food applications
Central motor conveyor
Conveyors with linear integrated motor with optical window
Conveyors with perpendicular motor and optical window
Conveyors with integrated linear motor
Conveyors with perpendicular motor
Conveyor with perpendicular motor for food applications
Solenoids, Holding Magnets, Brakes
Solenoids
Solenoids for simple operation
Solenoids for double maneuvering
Monostable solenoids
Bistable solenoids
Solenoids for simple operation
Solenoids for double maneuvering
Monostable solenoids
Bistable solenoids
Holding magnets
Electromagnetic suckers
Electromagnetic bars
Permanent magnet section cup
Permanents magnets bars
Electromagnetic suckers
Electromagnetic bars
Permanent magnet section cup
Permanents magnets bars
Vibrators
Brakes and clutches
Brakes with no current
Brakes with no current “High Torque”
Brakes with current emission
Clutches by energizing
Brakes with no current
Brakes with no current “High Torque”
Brakes with current emission
Clutches by energizing
Magnets
Electric Actuators
Standard industrial actuators
MT10 - MT16 actuators
ADE MS10 T actuators
Junior industrial actuators
Picolo industrial actuators
Compakt industrial actuators
Econom industrial actuators
Herkules industrial actuators
Vario industrial actuators
Waterway actuators
Electric actuators for dams, weirs and valves
Electric actuators for sluices and guard gates
Electromechanical actuators for bridges, fishways and flood gates
Customised industrial actuators
Assembly with in-line motor and trunnion mounting
Assembly with screw reducer and rear clevis mounting
Assembly with screw reducer and trunnion mounting
Assembly with parallel motor and trunnion mounting
Assembly with in-line motor and trunnion mounting
Assembly with screw reducer and rear clevis mounting
Assembly with screw reducer and trunnion mounting
Assembly with parallel motor and trunnion mounting
Pergola and facade actuators
Pergola actuators
Facade actuators
Markets & Functions
Commitments & Documentations
×
Write a review
P237793
Title:
*
Comment:
*
Your name:
*
*
Required fields