OAB 513 001 Vibrators

Linear vibrator without mass

Accueil  |  Solenoids,Holding Magnets, Brakes  |  Vibrators  |   
OAB 513 001

Linear vibrator without mass

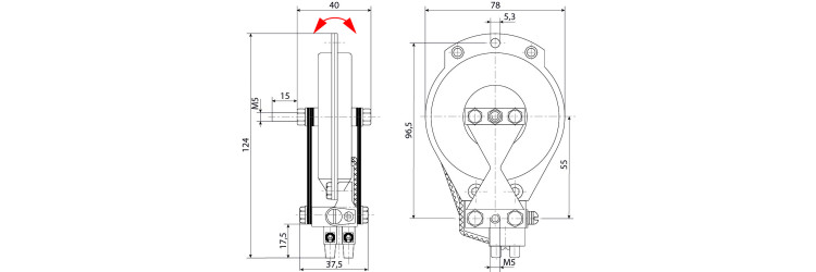
OAB 513 001 : the magnetic body of this oscillating vibrator without mass powered with AC 230V AC produces an angular reciprocating motion directly from the axis at 50 Hz. The maximum amplitude will be 4.5mm depending on the mounting. The amplitude of the movement is adjusted by means of a VF6 voltage variator. The axis in motion can be equipped with a complementary mass according to the vibration to achieve.
Vibrators
Grayed out functions require you to be logged in to your account
login to my account
Dimensional plan
Product range
Linear vibrator without mass
Product range
Linear vibrator without mass
Frequency
50
Frequency
50 Hz
Operating protection class
IP20
Power consumption
21
Power consumption
21 VA
Connection
Lug (IP00)
Insulation class
E
Standard voltage
230V AC/50 Hz single phase
Average oscillation amplitude
Average oscillation amplitude
1,5 mm
Max. oscillation amplitude
5 à 4,5 (with complementary mass of 150g)
Max. oscillation amplitude
5 à 4,5 (with complementary mass of 150g)
Total mass
0,52
Total mass
0,52 kg