CB25-T10/AT10-2000 Slider beds

Accueil  |  Belts, Pulleys, Accessories  |  Accessories  |  Slider beds  |   
CB25-T10/AT10-2000

This sliding profile, which is particularly suitable for BRECO® belts, is made of high density green polyethilene HDPE material. The belt is guidedcan be guided by slider profiles with edges -version CB- or by a central trapezoidal groove-version CK.
Slider beds
Grayed out functions require you to be logged in to your account
login to my account
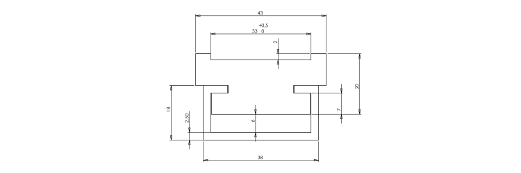
Dimensional plan
Thickness of profile a
2,5
Thickness of profile a
2,5 mm
Dimension E
16 mm
Dimension E
16
Dimension F
28
Dimension F
28 mm
Belt width
25
Belt width
25 mm
Dimension b
34
Dimension b
34 mm
Dimension H
20
Dimension H
20 mm
Dimension c
6
Dimension c
6 mm
Dimension d
5
Dimension d
5 mm
Material
PEHD 500/1000
Profile / Pitch
AT10
Remarks
The coefficient of expansion of the HDPE material is important, account must be taken of an elongation of 0.2 mm / m of profile per ° C. For this purpose, the profile can freely expand in its support