CK13-100TK20/ATK20-2000 Slider beds

Accueil  |  Belts, Pulleys, Accessories  |  Accessories  |  Slider beds  |   
CK13-100TK20/ATK20-2000

CK13-100TK20/ATK20-2000


This sliding profile, which is particularly suitable for BRECO® belts, is made of high density green polyethilene HDPE material. The belt is guided by the trapezoidal centering profile.
Slider beds
Grayed out functions require you to be logged in to your account
login to my account
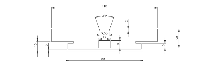
Dimensional plan
Thickness of profile a
2
Thickness of profile a
2 mm
Dimension E
10
Dimension E
10 mm
Dimension F
80
Dimension F
80 mm
Belt width
100
Belt width
100 mm
Dimension b
110
Dimension b
110 mm
Dimension H
20
Dimension H
20 mm
Dimension c
1
Dimension c
1 mm
Dimension d
5
Dimension d
5 mm
Material
PEHD 500/1000
Profile / Pitch
ATK20
Remarks
The coefficient of expansion of the HDPE material is important, account must be taken of an elongation of 0.2 mm / m of profile per ° C. For this purpose, the profile can freely expand in its support
Dimension n
8 mm
Dimension n
8
Dimension m
12
Dimension m
12 mm
Guide profile
K13