OMW 516 001 Vibrators

Propellant vibrator

Accueil  |  Solenoids,Holding Magnets, Brakes  |  Vibrators  |   
OMW 516 001

Propellant vibrator

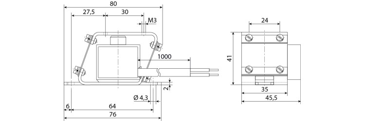
OMW 516 001: the magnetic body of this propellant vibrator powered with AC 230V AC produces a fixed 50 Hz reciprocating motion between the upper and lower fixed soles. The amplitude of the movement is adjusted by means of a VF6 voltage variator. Bottom sole: it will be fixed on a rigid fixed surface and mass 40 to 50 times the 'nominal mass' to vibrate. Upper sole: it performs an alternating propulsion movement with the nominal mass to be vibrated (maximum amplitude 1.3 to 1.6 depending on the size). The parts located in the vibrating chute thus have a linear displacement. The flat side leaf blades allow this relative movement between the upper sole and the lower sole. The vibrating corridor must be of rigid design. Recommended corridor length: 300mm.
Vibrators
Grayed out functions require you to be logged in to your account
login to my account
Dimensional plan
Product range
Propellant vibrator
Product range
Propellant vibrator
Frequency
50
Frequency
50 Hz
Operating protection class
IP 54
Power consumption
14
Power consumption
14 VA
Connection
Bi-conductor cable
Insulation class
F
Standard voltage
230V AC/50 Hz single phase
Nominal load
0,52
Nominal load
0,52 kg
Average oscillation amplitude
Average oscillation amplitude
1,3 mm
Max. oscillation amplitude
Max. oscillation amplitude
1,6 mm
Total mass
0,2
Total mass
0,2 kg