OLV 514 001 Vibrators

Linear vibrator without mass

Accueil  |  Solenoids,Holding Magnets, Brakes  |  Vibrators  |   
OLV 514 001

Linear vibrator without mass

OLV 514 001: the magnetic body of this linear vibrator without mass powered with AC 230V AC produces a linear reciprocating motion of 50 Hz of the axis (maximum amplitude 7mm, depending on the mounting). The amplitude adjustment is carried out thanks to a VF6 voltage variator.
Vibrators
Grayed out functions require you to be logged in to your account
login to my account
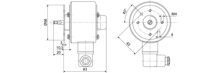
Dimensional plan
Product range
Linear vibrator without mass
Product range
Linear vibrator without mass
Frequency
50
Frequency
50 Hz
Operating protection class
IP 40
Power consumption
54
Power consumption
54 VA
Connection
DIN 43650 connector (IP 65)
Insulation class
B
Standard voltage
230V AC/50 Hz single phase
Average oscillation amplitude
Average oscillation amplitude
5,5 mm
Max. oscillation amplitude
Max. oscillation amplitude
7 mm
Total mass
1,5
Total mass
1,5 kg